Acciai al carbonio
|
In questa pagina troverete alcune immagini di strutture metallografiche di acciai al carbonio per fusioni con i trattamenti termici subiti e i reattivi di attacco utilizzati. |
|
Stato
del materiale
|
Reattivo
Ingrandimento
|
Immagine
|
|---|---|---|
|
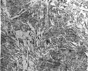
Acciaio
allo stato grezzo di fusione , spessore del campione 1 pollice
. La
stuttura è composta da perlite (costituente scuro) , da blocchi di
ferrite e da caratteristiche placche di ferrite dette di Widmanstätten.
|
2%
nital
100 x |
![]() |
|
Acciaio
normalizzato e rinvenuto , spessore del campione 1 pollice.
Austenizzato
a 927° C per 1 ora e raffreddato in aria, rinvenuto a 704° C per
4 ore . La struttura consiste in perlite fine in una matrice di ferrite
(bianca).
|
2%
nital
100 x |
![]() |
|
Acciaio
temprato e rinvenuto, spes. del campione 1 pollice. Austenizzato
a
927° C per 1 h , temprato in acqua , rinvenuto a 649° C per 3 h
|
2%
nital
500 x |
![]() |
|
Acciaio
ricotto , spessore del capione : 6 pollici . Austenizzato
a 927° C
per 6 h , raffreddamento lento in forno La struttura consiste in
laghe zone di ferrite, le zone scure sono segregazioni di carbonio
e manganese
ai bordi dei grani austenitici.
|
2%
nital
100 x |
![]() |
|
Acciaio
allo stato grezzo di fusione, spessore del campione : 1 pollice.
La
struttura è composta da perlite (scura) in una matrice di ferrite
. Da notare la presenza di placche di ferrite denominate di Widmanstätten
e inclusioni di solfuri di manganese (zone grigio chiaro in alto
a
sinistra)
|
2%
nital
500 x |
![]() |
|
Stesso
campione della foto precedente dopo trattamento di normalizzazione
. Austenizzato a 927°C e raffreddato in aria. la struttura è composta
perlite (scura) distribuita uniformemente in una matrice ferritica.
|
2%
nital
500 x |
![]() |
|
Stesso
campione della foto precedente dopo trattamento di ricottura.
Austenizzato
a 871°C per 8 ore e raffreddato in forno. Si evidenziano molto
bene i blocchi di perlite (scuri) e i blocchi di ferrite (bianca)
|
2%
nital
500 x |
![]() |
|
Stesso
campione delle foto precedente dopo trattamento di tempra
. Austenizzato
a 927°C e temprato in olio.
|
2%
nital
500 x |
![]() |