|
Microfotografie
|
![]() |
|
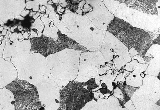
Superficie di un pezzo in acciaio che ha subito un trattamento termico di tempra. Il trattamento pero', forse eseguito con un mezzo temprante troppo forte, ha prodotto una microstruttura costituita da aghi grossolani di martensite su di una matrice di austenite residua. Tale condizione non e' favorevole data l'elevata disomogeneita' strutturale e valori di durezza non idonei. Per ritornare a condizioni migliori si puo' rinvenire la microstruttura, o ripetere la tempra dopo una normalizzazione. La microstruttura che si ottiene dopo un trattamento di tempra e' la martensite, prodotta dalla mancata trasformazione di austenite in ferrite e perlite. In pratica succede che all'interno di ogni singolo cristallo, gli atomi di C disciolti nel reticolo dell'austenite, non riescono ad "scombinarsi", per l'effetto della velocita' di raffreddamento. Si provoca cosi' una trasformazione del reticolo cristallino, un aumento di volume e un aumento delle tensioni interne e conseguentemente della durezza. Tale condizione e' considerata una "condizione non in equilibrio". Per eliminare le tensioni interne, dannose durante l'esercizio o durante il raffreddamento, si eseguono trattamenti di rinvenimento. Tali trattamenti possono anche abbassare i valori di durezza. Di solito, ogni acciaieria fornisce cataloghi o manuali sulle qualita' dei propri acciai. |
![]() |
|
Questa micrografia mostra delle cricche che si propagano in una zona saldata. Le cricche sembrano essere di tipo intergranulare e sono piene di quello che potrebbe essere stato l'agente corrosivo che le ha prodotte. Solo un accurato esame con il microscopio elettronico a scansione, ci dara' tutte le informazioni necessarie per stabilire con esattezza la causa che ha provocato queste cricche nel materiale.
|
![]() |
|
Difetti
di fusione o derivanti da un'elevata temperatura utilizzata durante un
operazione di stampaggio a caldo. La microstruttura formata da ferrite
(zona chiara) e perlite (zona scura) mostra alcune zone con la presenza
di cavita' e distaccamenti di grani con la presenza di ossido interno.
Tali difetti possono provocare rotture precoci durante l'esercizio. Essi
possono essere diagnosticati prima con un corretto esame di tipo non distruttivo
ad ultrasuoni.
|
![]() |
|
Difetto
ripieno di ossido sulla superficie di un pezzo di acciaio. L'azione del
calore sulla superficie esterna si puo' notare dalla presenza di decarburazione.
La decarburazione e' quel fenomeno per il quale il carbonio tende a combinarsi
con l'ossigeno presente nell'aria, lasciando la matrice dell'acciaio con
solo la ferrite. La decarburazione e' indice anche di trattamenti termici
mal riusciti. La presenza di zone superficiali aventi durezza differente
dal resto del pezzo, puo' essere causa di rotture in esercizio, di pezzi
magari soggetti a sollecitazioni assiali o torsioni.
|
![]() |
|
Bellissima micrografia di rottura per clivaggio eseguita al microscopio elettronico a scansione. La rottura per clivaggio e' una rottura transgranulare ed e' indice di fragilita' della microstruttura. La si puo' trovare in rotture avvenute di schianto o a basse temperature.
|
![]() |
|
Bellissima micrografia di rottura per clivaggio mista a duttile (dimples) eseguita al microscopio elettronico a scansione. Questa rottura indica proprio la fase di transizione che si potrebbe essere trovato l'acciao al momento della rottura. Oppure si tratta di una zone dove la frattura e' prevalentemente fragile (clivaggio) e l'ultima parte si e' rotta duttilmente per eccesso di carico applicato.
|
![]() |
|
Bellissima
micrografia di rottura duttile eseguita al microscopio elettronico a scansione.
La rottura duttile e' indice di una condizione di sovraccarico della microstruttura.
Cioe' il manufatto di acciaio lavorava in condizioni gravose per lo stato
della sua microstruttura. Magari se avesse avuto una microstruttura bonificata
(per esempio), avrebbe potuto sostenere meglio i carichi applicati senza
rompersi.
|
![]() |
|
Frattura
intergranulare eseguita al microscopio elettronico. Questi tipi di rottura
si hanno di solito per rotture dovute a fenomeni corrosivi o rotture dovute
al trattamento termico di tempra.
|
![]() |
|
Ghisa
grigia ipereutettica con lamelle grossolane di grafite primaria flottata
al limite della superficie del getto. A cuore la grafite assume la forma
eutettica. Getto massiccio con alto carbonio equivalente.
Composizione chimica non adeguata allo spessore del getto. Le frecce indicano direzione e verso della superficie ed il cuore del getto. Superficie: grafite flottata. Cuore: grafite eutettica. Provino non attaccato. Ingrandimenti: x100. |
![]() |
|
Ghisa
sferoidale con noduli di grafite esplosi.
Questa anomalia della grafite e' causata da un dosaggio eccessivo di cerio introdotto nella ghisa liquida attraverso la lega sferoidizzante contenente questo elemento e/o l'aggiunta di mischmetal (miscelazione di terre rare a base di cerio). Il fenomeno si accentua particolarmente in quelle zone del getto dove esiste flottazione della grafite. L'immagine documentata e' relativa ad un getto di grosso spessore con un tenore di Ce=0,045% Noduli di grafite dispersi tra grossi noduli esplosi. La freccia indica il nodulo esploso. Provino non attaccato. Ingrandimenti: x100. |
![]() |
|
Ghisa
grigia ipoeutettica con presenza nella matrice di carburi complessi di
como e vanadio. Composizione chimica della fusione: Cr=1%, V=1%.
I carburi complessi di cromo e/o vanadio si distinguono dalla cementite (carburo di ferro Fe3C) non solo per l'aspetto morfologico, ma anche per il valore della durezza Vickers: circa 900 HV per la cementite e circa 1400 HV per i carburi di cromo e vanadio. Le frecce indicano i carburi complessi di cromo e vanadio. Attacco: nital 3% Ingrandimenti: x500. |
![]() |
|
Stesso
campione della micrografia della ghisa sferoidale con noduli di grafite
esplosi, a maggiori ingrandimenti e con attacco chimico.
Noduli di grafite, di cui uno esploso, contornati da una sottile aureola di ferrite in matrice perlitica. Presenza di carburi (cementite) per l'elevata azione carburigena esercitata dal cerio. Attacco: Nital 3% Ingrandimenti: x200. |